穿過石英水晶HC-49
根據ROHS標準,HC-49S石英晶體是一種密封的晶體,具有高精度,良好的可靠性,高頻穩定性和較寬的頻率范圍(3.072MHz?100MHz)。它是一個小晶體,高度僅為4.2mm
1。電氣規格
| 不。 | 物品 | SYMB | 電氣規范 | 評論 | |||
| 最小。 | 類型 | 最大限度。 | 單位 | ||||
| 1 | 名義頻率 | F0 | 3.072 | 100.000 | MHz | ||
| 2 | 振動模式 | 基本的 △第三個泛音 △第五次夸 |
|||||
| 3 | 頻率公差 | △f/f0 | ±10 | ±30 | ±50 | 在25歲℃±3℃ | |
| 4 | 工作溫度范圍 | TOPR | -20?70 -40?85 |
℃ | |||
| 5 | 頻率穩定性 | TC | ±30 | ±50 | ppm | ||
| 6 | 存儲溫度 | TSTG | -40 | - | 85 | ℃ | |
| 7 | 負載電容 | CL | 6?指定 | pF | |||
| 8 | 等效串聯電阻 | ESR | 滲漏1 | Ω | |||
| 9 | 驅動器水平 | DL | - | 100 | μW | ||
| 10 | 絕緣抗性 | IR | 500 | - | - | MΩ | 在100VDC |
| 11 | 分流電容 | Co | 7 | pF | |||
| 12 | 每年老化 | Fa | -5 | - | 5 | ppm | 第一個是的 |
| 13 | 軟件包類型 | 12.7*4.7*4.2 | |||||
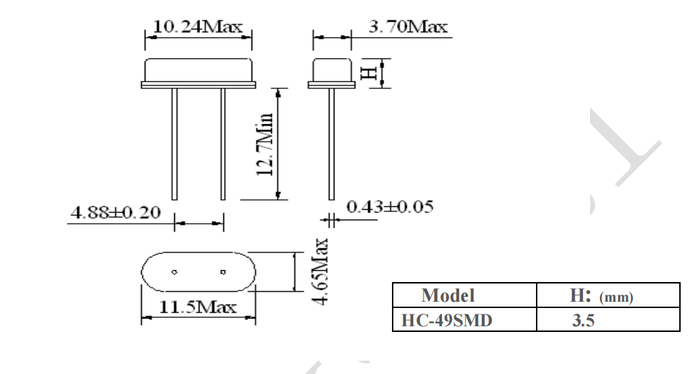
2。尺寸sion(單位:mm)

3.有關更多常見問題解答和其他服務,請單擊下面的圖像以查看。