What Are You Looking For?
特征
①尺寸 20.4 x 12.8 x 11mm,典型值
②低相位噪聲和低G敏感度
③小型密封封裝
④嚴格的頻率穩定性
⑤低功耗
⑥快速預熱時間
⑦電調頻率輸入
⑧符合RoHS標準(無鉛)
典型應用
①儀器參考
②微波通信
③微波信號源時鐘參考
④測試與測量
⑤電信系統
⑥雷達系統
類型 :
AG8模型 :
POC2012包裝尺寸 :
20.4*12.8*11mm頻率 :
10.000M~100.000M恒溫晶體振蕩器(OCXO)POC2012
POC2012系列SMD OCXO晶體振蕩器(10.0MHz~100.000MHz)采用緊湊的2012封裝(20.4×12.8×11mm),具有卓越的±50ppb頻率穩定性、超低相位噪聲(-100dBc/Hz@10Hz)和低老化率(±5ppb/天)。它提供±2ppm的電壓調諧精度,工作溫度范圍為-20°C至+70°C,是通信、雷達和精密儀器的理想選擇。符合RoHS標準,可靠性高。
1.電氣規格
| 不。 | 物品 | 電氣規格 | 評論 | |||||
| 分鐘。 | 類型 | 最大限度。 | 單位 | |||||
| 輸出(PIN =“RF輸出”) | ||||||||
| 1 | 標稱頻率 | 10.000 | 100.000 | 兆赫 | ||||
| 2 | 初始精度 | -0.2 | +0.2 | 百萬分率 | @ +25 ±1°C,通電60分鐘后,Vco=+5V | |||
| 3 | 波形 | 正弦波 | ||||||
| 4 | 等級 | 8 | 分貝毫瓦 | |||||
| 5 | 加載 | 50 | Ω | |||||
| 6 | 諧波 | -30 | 分貝 | |||||
| 7 | 雜散 | -80 | 分貝 | |||||
| 頻率穩定性 | ||||||||
| 8 | 周圍的 | ±50 | ±100 | 十億分之一 | 參考溫度為25°C | |||
| 9 | 老化 | 日常的 | -5 | +5 | 十億分之一 | 30天后。 | ||
| 每年 | -500 | +500 | 十億分之一 | |||||
| 10年 | -1.7 | +1.7 | 百萬分率 | |||||
| 10 | 電壓 | -20 | +20 | 十億分之一 | ±5%的變化 | |||
| 11 | 短期 | 0.05 | 十億分之一 | τ=1 秒的根艾倫方差 | ||||
| 12 | 加載 | -10 | +10 | 十億分之一 | ±5%的變化 | |||
| 13 | 熱身 | -50 | +50 | 十億分之一 | 在 +25 ±1°C 下 5 分鐘內, 參考1小時 | |||
| 14 | G 靈敏度(每個軸) | 1 | 百分數/克 | |||||
| 15 | 相位噪聲 | 選項 A | 選項 B | 參見表1:訂購信息 | ||||
| @10Hz | -100 | -103 | 分貝/赫茲 | |||||
| @100Hz | -130 | -135 | 分貝/赫茲 | |||||
| @1KHz | -160 | -162 | 分貝/赫茲 | |||||
| @10KHz | -173 | -173 | 分貝/赫茲 | |||||
| @100KHz | -177 | -176 | 分貝/赫茲 | |||||
| @1MHz | -178 | -178 | 分貝/赫茲 | |||||
| 電頻率調整(PIN =“VCO輸入”) | ||||||||
| 16 | 調諧范圍 | ±2 | 百萬分率 | 參考標稱中心電壓下的頻率 | ||||
| 17 | 控制電壓 | 0 | +4.5 | V | ||||
| 18 | 坡 | 積極的 | ||||||
| 19 | 中心電壓 | +2.25 | V | |||||
| 20 | 線性 | -10 | +10 | % | ||||
| * 足以將振蕩器調整至標稱頻率,使用10年。部分型號的調諧范圍為±0.7ppm。 | ||||||||
| 輸入電源(PIN = “+VDC”) | ||||||||
| 21 | 電壓 | +4.75 | +5 | +5.25 | V | |||
| 22 | 當前的 | 穩定狀態 | 1.2 | w | @ +25°C,工作-20°C ~ +70°C | |||
| 23 | 熱身期間 | 500 | mA | @ +25°C,工作-20°C ~ +70°C | ||||
| 24 | 波形 | 高速CMOS | ||||||
| 25 | 高級別 | 3.8 | V | |||||
| 26 | 低級別 | 0.4 | V | |||||
| 27 | 加載 | 1KΩ//10PF | ||||||
| 28 | 占空比 | 40 | 60 | % | ||||
| 29 | 上升/下降時間 | 3 | ns | 20% 至 80% | ||||
| 環境的 | ||||||||
| 30 | 工作溫度 | -20 | 70 | ℃ | ||||
| 31 | 儲存溫度 | -45 | 90 | ℃ | ||||
| 32 | 濕度 | MIL-STD-202,方法 103 測試條件 A | 95% RH @ +40°C,無凝結,240 小時 | |||||
| 33 | 振動(非工作狀態) | MIL-STD-202,方法 201 | 0.06” 總峰峰值,10 至 55 Hz | |||||
| 34 | 沖擊(非工作狀態) | MIL-STD-202,方法 213,測試條件 J | 30g,11ms,半正弦 | |||||
| 35 | 封裝類型 | 20.4*12.8*11 | ||||||
| 筆記 1:輸出在此溫度范圍內保持。在-20~70℃溫度范圍之外工作時,可能無法滿足本規范的其他要求。℃. 注 2:測試條件:VDC = +5 V;VCO = +2.25 V;+25 ± 3°C,除非另有說明。 | ||||||||
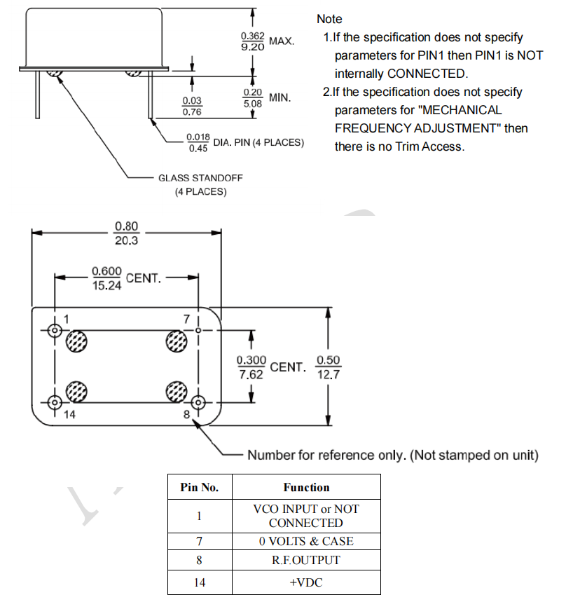
2. Dimension(單位:mm)

3.更多常見問題及其他服務請點擊下方圖片查看。